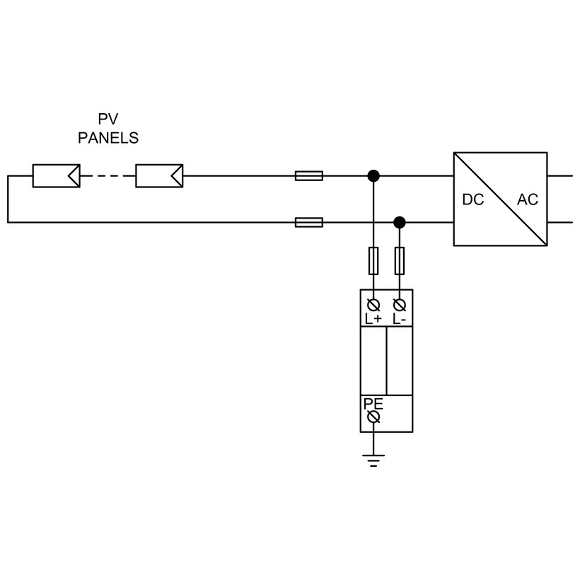
পিভি অ্যারেগুলির জন্য উদ্দেশ্য-নির্মিত ডিসি সুরক্ষা।
এই টাইপ 2 সার্জ গ্রেপ্তারকারীরা পিভি স্ট্রিং, বাসবার এবং ইনভার্টার ইনপুটগুলিকে বজ্রপাতের ইভেন্ট বা স্যুইচিং অপারেশনগুলির কারণে সৃষ্ট ক্ষণস্থায়ী ওভারভোল্টেজগুলি থেকে রক্ষা করে। তারা উভয় ইতিবাচক এবং নেতিবাচক পিভি বাসবারগুলির সজ্জিত বন্ধন নিশ্চিত করে এবং সমস্ত বজ্রপাত সুরক্ষা স্তর (এলপিএল আই - আইভি) জুড়ে সিস্টেম আপটাইম বজায় রাখতে সহায়তা করে।
ইউ বা ওয়াই সংযোগ - আপনার ডিজাইনের কী প্রয়োজন তা চয়ন করুন।
ইউ সংযোগ: পিভি ডিসি সার্কিটের জন্য প্রচলিত সুরক্ষা টপোলজি।
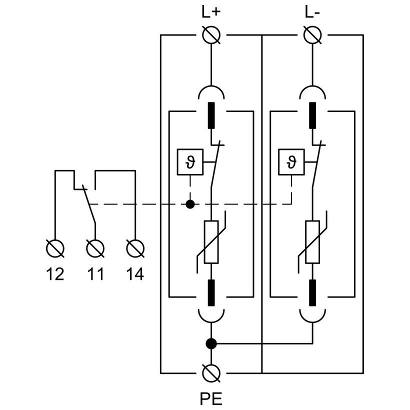
ওয়াই সংযোগ: ভারিস্টরগুলি পিই করার ব্যবস্থা করা হয়েছে যাতে কর্মক্ষম কন্ডাক্টরগুলি পৃথিবীর প্রতিরোধী থাকে এবং পিই কন্ডাক্টরের মাধ্যমে শূন্য অবশিষ্টাংশ (ফুটো) বর্তমান রয়েছে, ইএমসি আচরণ উন্নত করে এবং উপদ্রব বর্তমান পথগুলি হ্রাস করে।
অন্তর্নির্মিত সুরক্ষা-কোনও ব্যাক-আপ ফিউজ প্রয়োজন।
এল+, এল- এবং পিই এর মধ্যে নির্দিষ্ট ভেরিস্টর সেক্টরগুলি প্রতিটি অভ্যন্তরীণ তাপ সংযোগ বিচ্ছিন্নদের সাথে লাগানো হয়। যখন কোনও ভেরিস্টর জীবনের শেষের দিকে (অতিরিক্ত উত্তাপ) পৌঁছে যায়, সংযোগ বিচ্ছিন্নকরণ ট্রিপস, দৃশ্যত একটি ত্রুটি নির্দেশ করে এবং ডিসি কারেন্টকে বাধা দেয়। তাদের বিশেষ নির্মাণের জন্য ধন্যবাদ, এই গ্রেপ্তারকারীরা পৃথক ব্যাক-আপ ফিউজ (সিস্টেম সমন্বয় সাপেক্ষে) ছাড়াই ইনস্টল করা যেতে পারে।
বাহ্যিক এলপিএসের সাথে বা ছাড়াই নমনীয় স্থাপনা।
বাহ্যিক বজ্রপাত সুরক্ষা সিস্টেম (এলপিএস) ছাড়াই পিভি সিস্টেমের ডিসি সাইডে ইনস্টল করুন বা যখন প্রয়োজনীয় পৃথকীকরণের দূরত্ব "গুলি" বজায় রাখা হয় তখন এলপিএসের সাথে ইনস্টল করুন। এটি নতুন বিল্ডগুলিতে নিরাপদ সংহতকরণকে সমর্থন করে এবং একইভাবে retrofits।
পরিষেবা এবং পর্যবেক্ষণ বিকল্প।
এম ইঙ্গিত: দ্রুত প্রতিস্থাপনের জন্য অপসারণযোগ্য (প্লাগ-ইন) সুরক্ষা মডিউল সহ সংস্করণ।
এস ইঙ্গিত: এসসিএডিএ/পিএলসি/অ্যালার্ম রিলে স্ট্যাটাস সিগন্যালিংয়ের জন্য দূরবর্তী মনিটরিং যোগাযোগের সাথে সংস্করণ।
সাধারণ অ্যাপ্লিকেশন
পিভি স্ট্রিং, কম্বিনার/পুনরায় কম্বিনার বাক্স এবং ইনভার্টার ডিসি ইনপুট
ইউটিলিটি-স্কেল, বাণিজ্যিক ও শিল্প এবং ছাদ পিভি ইনস্টলেশন
বাহ্যিক এলপিএস সহ বা ছাড়াই সাইটগুলি যেখানে পৃথকীকরণের দূরত্ব "গুলি" পরিলক্ষিত হয়
এক নজরে মূল বৈশিষ্ট্য
পিভি ডিসি সিস্টেমগুলির জন্য 2 টি সার্জ আর্জার টাইপ করুন (ইউ বা ওয়াই সংযোগ)
Y সংযোগ সুবিধা: পৃথিবী-প্রতিরোধী ওয়ার্কিং কন্ডাক্টর এবং জিরো পিই ফুটো
ভারিস্টার পাথগুলিতে অভ্যন্তরীণ তাপ সংযোগকারী (এল+, এল-, পিই)
দোষে ডিসি বর্তমান বাধা; কোনও ব্যাক-আপ ফিউজ প্রয়োজন নেই
সমস্ত এলপিএল স্তরের জন্য উপযুক্ত; সমীকরণীয় বন্ধন সমর্থন করে
এম = অপসারণযোগ্য মডিউল; এস = রিমোট মনিটরিং যোগাযোগ

